The SVR feeder automatic voltage regulator is a device that automatically adjusts the voltage ratio of the device itself by tracking the voltage changes in the line to ensure the stability of the output voltage. This special transformer can automatically adjust the input voltage within a range of 30%, and is particularly suitable for lines with large voltage fluctuations or significant voltage drops. By connecting an SVR series line automatic voltage regulator in the middle and rear sections of 6kV, 10kV, and 35kV lines, the SVR series line automatic voltage regulatorcan adjust the line voltage within a certain range, ensuring that the supply voltage to users is qualified and reducing line losses. Additionally, the SVR feeder automatic voltage regulator is also applicable to substations where the main transformer lacks voltage regulation capability. By connecting this voltage regulator in series on the output side of the substation transformer, the SVR series, in an automatic voltage regulator, ensures that the bus voltage on the output side is qualified.
The complete set of SVR series line automatic voltage regulator has a large capacity, low loss, small volume, and is easy to install and maintain.
SVR series line automatic voltage regulator can automatically track voltage changes and adjust the tap position of the three-phase on-load tap changer, with reliable operation and high voltage adjustment accuracy.
The voltage reference, action delay, allowable range, and number of actions can be adjusted as needed, with flexible and convenient parameter settings.
SVR series line automatic voltage regulator can display the output voltage and current of the SVR, the number of daily actions, the total number of actions, and the current tap position, and has indicators for the highest and lowest taps.
SVR series line automatic voltage regulator has upper and lower limit protection for the tap position and action time limit function, effectively improving the reliability of the product.
The controller has overcurrent and undervoltage protection. When the line is in an overcurrent or undervoltage state, the controller automatically locks.
The controller uses a DSP high-speed digital processing chip, with high signal detection accuracy, fast processing speed, strong anti-interference ability, and special lightning protection measures, suitable for harsh outdoor environments.
The voltage regulator has short-distance wireless communication function, allowing real-time observation of the voltage regulator's operation status or parameter setting through the monitoring machine. GPRS/CDMA remote communication can also be selected, enabling users to monitor the voltage regulator's operation status in real time without leaving home.
SVR series line automatic voltage regulator has bidirectional power flow identification function and can be applied to distribution lines with small hydropower generation, stabilizing the line voltage during the wet and dry seasons.
1. Rated voltage: 6kV, 10kV, 35kV;
2. Rated capacity: ≤4000kVA (6kV), ≤12500kVA (10kV), ≤24000kVA (35kV);
3. Phase: 3-phase;
4. Rated frequency: 50 Hz;
5. Cooling method: ONAN;
6. Connection group designation: Ya0;
7. Voltage regulation range: -10% to +10%, -5% to +15%, 0 to 20% (illustrated with 10kV as an example):
(1)-10% to +10%: Applicable for input voltage of 9kV to 11kV, output voltage of 10kV;
(2)-5% to +15%: Applicable for input voltage of 8.66kV to 10.32kV, output voltage of 10kV;
(3)0 to 20%: Applicable for input voltage of 8kV to 10kV, output voltage of 10kV;

Typical Application: A mining enterprise in the western region
Problem Description: The line is long and the load is heavy. The mining plant is located at the end of the line, resulting in a low voltage, with an average voltage of only about 8.4kV, which cannot meet the normal production requirements.
Remedial Measures: As can be seen from the above table, the first four measures are not economically and feasibly suitable for voltage regulation on this line. However, the feeder automatic voltage regulator is technically feasible, economically practical, and easy to install in solving the voltage regulation of specific lines. Therefore, a SVR-2000/10-7 (0~+20%) feeder automatic voltage regulator was finally installed at the front end of the mining load to adjust the line voltage.
Effect Analysis: After the installation of the voltage regulator, when the mining plant is in normal production, the voltage regulator operates at level 6, adjusting the voltage to around 10kV, which meets the normal production and living electricity needs of the mining plant.
The application and parameter setting display of the film panel and light touch button are digital, which makes the controller parameters easy to set, correct and intuitive, and the man-machine dialogue interface is good.
The voltage signal collected by the controller is read by the CPU and compared with the set voltage (the upper limit and lower limit of the set voltage). If the deviation from the set value, the controller delays issuing the rising and lowering instructions, driving the motor of the on-load switch head to complete a switching operation of the tap switch.
The SVR series line automatic voltage regulator controller can display the voltage and current of the regulator outlet and the oil temperature of the regulator through the controller signal acquisition port.
The SVR series line automatic voltage regulator is equipped with overcurrent, overvoltage, overheating, and gas detection protection. It will fail to operate if the time limit is exceeded.
The SVR series line automatic voltage regulator controller can set the time interval of the switching action and the total number of times of the switching action per day.
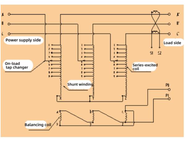
The SVR line automatic voltage regulator consists of three parts: self-coupled transformer, on-load tap changer and automatic controller.

The SVR series line automatic voltage regulator consists of a self-coupled transformer with 9 taps, an on-load tap changer (OLT), and an automatic controller that tracks terminal line voltage according to load variations. The transformer comprises a main winding and a regulating coil, where each tap offers a 2.5% voltage difference between adjacent taps, providing a total regulation range of 20%. A three-phase delta-connected secondary coil serves dual purposes: eliminating third harmonics and supplying power to both the OTC switch and the controller. The primary side connects to the OTC switch at taps 1 through 9, while the load-side configuration remains fixed based on required regulation ranges. For example: -20% to +20% regulation requires connecting the load-side to tap 1 (the regulator's direct path), -5% to +15% requires tap 3, and-10% to +10% requires tap 3. The schematic diagram of the regulator's circuit structure is as follows:
The SVR line automatic voltage regulator incorporates a three-phase delta-connected balancing coil during its design, with a capacity of 25-50% of the total transformer no-load capacity. This delta-connected configuration provides a dedicated path for third-order harmonics, primarily designed to eliminate third harmonic flux. This mechanism effectively removes third harmonic components from the voltage, thereby enhancing the regulator's three-phase balance performance and surge short-circuit resistance.
The SVR Automatic Voltage Regulation Controller (hereinafter referred to as the Controller) operates by monitoring real-time voltage fluctuations in the line to activate on-load tap changers, thereby adjusting the transformer's ratio and stabilizing the line voltage between preset upper and lower limits. When the measured line voltage falls below the set lower limit, the Controller commands the on-load tap changer to step up the voltage. Conversely, when the measured voltage exceeds the upper limit, the Controller activates the on-load tap changer to step down the voltage.
Contact us to discuss your power distribution needs and get a customized solution from our expert team.
Tel:
E-mail:
Address:
No.788 Wenyi Road, Bihu Town, Lishui City, Zhejiang Province, China